Home > Product > Air Circuit Breaker
Air Circuit Breaker
Names of exterior part
- ① Front cover
- ② Arc extinguish chamber
- ③ Control circuit terminal
- ④ Electronic trip relay
- ⑤ Counte
- ⑥ Closing button
- ⑦ Charging handle
- ⑧ Name plate
- ⑨ Caution mark
- ⑩ position indicator
- ⑪ Pushing/Drawing lever hole
- ⑫ Charging indicator
- ⑬ Extension rail
- ⑭ Trip button
- ⑮ ON/OFF indicator
- (16) Draw-out profile
- (17) Main body profile
- (18) Handle
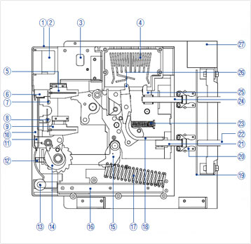
Internal Structure
- ① Front cover
- ② Electronic trip relay
- ③ Auxiliary switch
- ④ Arc extinguish chamber
- ⑤ Closing coil
- ⑥ ON/OFF indicator
- ⑦ Closing mechanism
- ⑧ Trip mechanism
- ⑨ Trip coil
- ⑩ Charging handle
- ⑪ Charging indicator
- ⑫ Draw-out mechanism
- ⑬ Position indicator
- ⑭ Gear block
- ⑮ Draw-out cam
- (16) Extension rail
- (17) Closing spring
- (18) Movable shunt
- (19) Safety shutter
- (20) Circuit breaker connection conductor
- (21) Load side conductor
- (22) Draw-out conductor
- (23) Breaking spring
- (24) Power supply side conductor
- (25) Fixed contact
- (26) Traveling contact
- (27) Draw-out main body
Specifications
- ISO 9001, ISO14001, applied for patent
- Compact and light weight
- The product is designed to be efficient and suitable for stand-alone switchboards by reducing its size and weight up to 85% to that of existing products.
- Less size variation
- Size variations have been reduced from four types to three types.
- 630~1250A / 1600~2000A / 2500A / 3200~4000A → 630~1600A / 2000~2500A / 3200~4000A
- Safe and convenient
- The control circuit terminal block is attached on the upper side of the product.
- The mechanism and attached devices have been modularized in order to provide easy maintenance and inspection.
- The draw-out rail has been significantly improved to allow easy draw-out.
- The arc space has been minimized. The modular type cover offers a better appearance.
- High-function digital protective relay
- It is easier to identify the trip status with the trip status LED on the digital protective relay.
- - The OCR tester (sold separately) offers a high-accuracy current detection circuit.
- Various attachments
- Improved quality through the application of diverse attachments.
- Close first, open later type
- When closing and opening main contact, the contact on the N phase contacts before and falls later than R, S, T phases, and thus prevents accidents that may occur from the previous position (especially when using single-phase load).
- Example of configuring ACB type

S : type breaking capacity / H : High type breakung capacity
| Rated operating voltage(V) |
660 |
660 |
660 |
660 |
660 |
660 |
660 |
660 |
660 |
| Frame current(AF) |
630 |
800 |
1000 |
1250 |
1600 |
2000 |
2500 |
3200 |
4000 |
| Setting Base Current (A) |
630 |
630 |
800 |
1000 |
1250 |
1600 |
2000 |
2500 |
3200 |
4000 |
| 630 |
504 |
640 |
800 |
1000 |
1280 |
1600 |
2000 |
2560 |
3200 |
| 504 |
378 |
480 |
600 |
750 |
960 |
1200 |
1500 |
1920 |
2400 |
| Breaking capacity |
S |
H |
S |
H |
S |
H |
S |
H |
S |
H |
S |
H |
S |
H |
S |
H |
S |
H |
Rated service short circuit (lcs)(kA)
/
Rated short circuit making capacity (Icm)(kA) |
IEC
947-2 |
220 / 240V |
60 |
75 |
60 |
75 |
65 |
75 |
60 |
75 |
60 |
75 |
60 |
75 |
60 |
75 |
60 |
75 |
85 |
100 |
| 380 / 415V |
55 |
70 |
55 |
70 |
55 |
70 |
55 |
70 |
55 |
70 |
55 |
70 |
55 |
70 |
55 |
70 |
75 |
90 |
| 440 / 500V |
50 |
65 |
50 |
65 |
50 |
65 |
50 |
65 |
50 |
65 |
50 |
65 |
50 |
65 |
50 |
65 |
65 |
85 |
| 600 / 660V |
42 |
55 |
42 |
55 |
42 |
55 |
42 |
55 |
42 |
55 |
42 |
55 |
42 |
55 |
42 |
55 |
55 |
75 |
VDE
0660 |
480V |
50 |
65 |
50 |
65 |
50 |
65 |
50 |
65 |
50 |
65 |
50 |
65 |
50 |
65 |
50 |
65 |
65 |
85 |
| 600V |
42 |
50 |
42 |
50 |
42 |
50 |
42 |
50 |
42 |
50 |
42 |
50 |
42 |
50 |
42 |
50 |
50 |
65 |
BS
4752 |
Below 500V |
105 |
143 |
105 |
143 |
105 |
143 |
105 |
143 |
105 |
143 |
105 |
143 |
105 |
143 |
105 |
143 |
143 |
187 |
| 690V |
88.2 |
105 |
88.2 |
105 |
88.2 |
105 |
88.2 |
105 |
88.2 |
105 |
88.2 |
105 |
88.2 |
105 |
88.2 |
105 |
105 |
143 |
short time withstand
capacity(kA)
AC 500V 이하 |
peak (kA, peak) |
105 |
143 |
105 |
143 |
105 |
143 |
105 |
143 |
105 |
143 |
105 |
143 |
105 |
143 |
105` |
143 |
143 |
187 |
Break type |
1 Sec |
50 |
65 |
50 |
65 |
50 |
65 |
50 |
65 |
50 |
65 |
50 |
65 |
50 |
65 |
65 |
85 |
85 |
100 |
| 3 Sec |
30 |
30 |
30 |
30 |
50 |
50 |
50 |
65 |
85 |
| Operation time |
Total breaking time |
Below 45ms |
Below 50ms |
| Rated closing time |
Below 65ms |
Below 80ms |
| Number of poles |
3P/4P |
3P/4P |
3P/4P |
3P/4P |
3P/4P |
3P/4P |
3P/4P |
3P/4P |
3P/4P |
| endurance |
Mechanical |
Without maintenance |
10000 |
10000 |
10000 |
10000 |
10000 |
10000 |
10000 |
10000 |
10000 |
| With maintenance |
20000 |
20000 |
20000 |
20000 |
20000 |
20000 |
20000 |
20000 |
20000 |
| electrical |
Without maintenance |
2500 |
2500 |
2500 |
2500 |
2000 |
1000 |
1000 |
1000 |
600 |
| With maintenance |
5000 |
5000 |
5000 |
5000 |
5000 |
3500 |
3500 |
3500 |
1500 |
| Motor operation |
Without maintenance |
5000 |
5000 |
5000 |
5000 |
5000 |
3500 |
3500 |
3500 |
1500 |
| weight(kg) |
Fixed |
52 |
64 |
52 |
64 |
55 |
68 |
55 |
68 |
58 |
70 |
64 |
72 |
71 |
78 |
83 |
94 |
93 |
103 |
| Draw-out |
80 |
87 |
80 |
87 |
84 |
90 |
84 |
90 |
85 |
96 |
97 |
104 |
106 |
113 |
115 |
128 |
132 |
148 |
- Standard
- Draw-out type, Closing coil, Trip coil, Counter, OCR, Aux-switch(2a2b)
- Operating voltage, OCR trip signal
- Option
- OCGR, CTD, Shutter device, OCR Tester, OCR alarm switch, Key switch,
- Locationswitch, Auxiliary switch (AUX switch 3a3b,4a4b)
Product Attributes
- Diversification is given to set circuit breaking conditions including electric current in a long time delay, in a short time delay, in an instantaneous trip and in ground fault. This provides a wide variety of choices and satisfaction of detailed needs.
- The energy for closing in store at springs, which brings about raped and precise operation.
- Equipment can be used for either AC and DC according to the situation, which has diversified the choice as an option.
- All parts are standardized with molds to be repaired and maintained easily. And thorough inspection and standardized production bring about long durability.
- Reliability is much enhanced by the ability to confirm breaking by different causes.
Installation method
- Fixed Type
- The unit is directly connected to the panel board and is an economical method installation.
- Draw out Type
- It consists of two parts the main body of the breaker and the panel board frame.
- It is directly connected to the panel board and the main body of the breaker is mounted on the draw out frame.
- The main body of the breaker can be separated from the panel board without change in circuit.
- Benefits easy checking for its function, easy repairing & charging part and maintenance, easy replacement of breaker itself.
Operation Method
- Manual Storage Method
- •It stores spring the energy needed for closing by moving the storage handle from up to down about 7 times.
- •Repetition of the storage handle movement continues until the charging indicator displays "CHARGED".
- ※ Caution : Manual charging should be performed while the breaker is in opening state.
- Automatic Storage Method
- •It stores the energy needed for closing by using an electric storage motor , which is activated the closing circuit.
- •When the breaker starts breaking, the motor is automatically activated to store the energy needed for closing.
- •The storage motor is capable of storing energy 50 times. However, to do more than 50 times, it requires cooling for 10 minutes, as a minimum, preventing the motor from overheat.
- Closing coil
- •It is a Solenoid-State coil, which is operated by a closing signal coming from outside or by a pressing button attached to the front side.
- Opening coil
- •It is a Solenoid-State coil, which trips after receiving signals from OCR or from outside.